非凡国际
CR Home 华润网群
繁體版
首页
全景介绍
公司概况
企业文化
视频专区
联系非凡国际
新闻资讯
公司新闻
通知布告
媒体传真
公司大事记
专题专栏
投资者关系
公司治理
公司治理层
股票信息
一时布告
定期汇报
投资者服务
三九网群
华润老桐君
非凡国际(北京)
非凡国际(枣庄)
非凡国际(南昌)
非凡国际(黄石)
非凡国际(郴州)
华润顺峰
华润本溪三药
华润天和
三九金复康
九星印刷
大健全事业部
专业品牌事业部
国药事业部
创新业务事业部
处方药事业部
产业链专班
非凡国际医贸
中药创新中心
产品与服务
业务领域
产品展示
客户服务
不良反映
社会责任
责任理想
责任汇报
责任活动
责任荣誉
EHS专题
ESG专区
人力资源
人才招聘
人才选用
风采展示
信息公开
公司治理
发展成就
人事改观
掌管人薪酬
阳光宣言
贸易行为规范
联系非凡国际
网站地图
隐衷条款
免责申明
社会责任
责任理想
责任汇报
责任活动
责任荣誉
EHS专题
EHS资讯
EHS荣誉
ESG专区
有关政策
ESG实际
EHS资讯
首页
>
社会责任
>
EHS专题
>
EHS资讯
2022.03.02
非凡国际废水检测汇报(2021年4月毒性)
相识更多>>>
2022.03.02
非凡国际废水检测汇报(2021年3月毒性)
相识更多>>>
2022.03.02
非凡国际废水检测汇报(2021年11月)
相识更多>>>
2022.03.02
非凡国际废水检测汇报(2021年8月)
相识更多>>>
2022.03.02
非凡国际废水检测汇报(2021年5月)
相识更多>>>
2022.03.02
非凡国际废水检测汇报(2021年3月)
相识更多>>>
2022.03.02
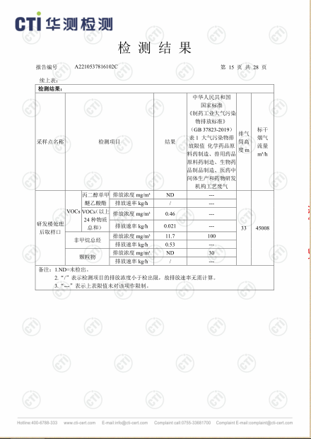
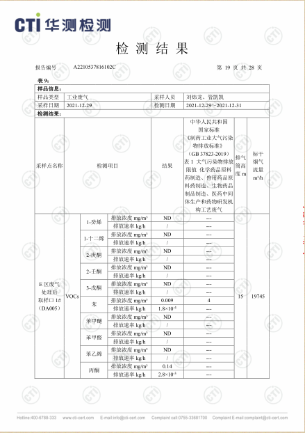
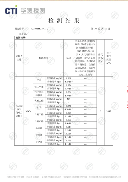
非凡国际废气检测汇报(2021年12月全检)
相识更多>>>
2022.03.02
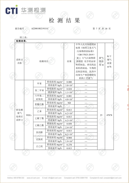
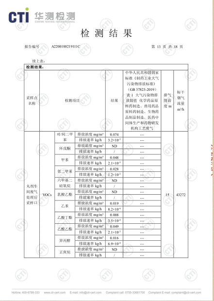
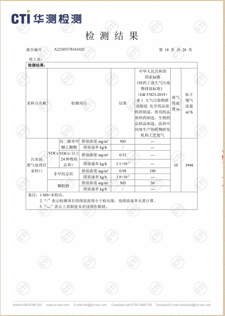
非凡国际废气检测汇报(2021年8月全检)
相识更多>>>
上一页
1
...
3
4
5
...
13
下一页
共13页
101笔纪录
跳至:
页
确定
联系方式
|
网站地图
|
免责申明
|
隐衷条款
互联网药品信息服务资格证书 (粤)—非经营性—2021—0179
Copyright ? 非凡国际 粤ICP备11086523号 技术支持:非凡国际智能与数字化中心
返回到首页
回到顶部
【网站地图】